高压发生器又称直流高压发生器,是高压电源的传统称呼。主要用于对氧化锌避雷器、电力电缆、变压器、发电机等高压电气设备进行直流耐压试验。
高压发生器的操作:
1、 接线方法:
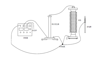
将机箱、倍压筒放置到合适位置分别联接好电源线、电缆线和接地线,保护接地线与工作接地线以及放电棒的接地线均应单独接到试品的地线上(即一点接地)。严禁各接地线相互串联。
2、试验操作:
第一步先空载升压验证过电压保护整定是否灵敏。然后接通电源,按下红色按钮则红灯亮,表示高压接通。
第二步顺时针方向平缓调节调压电位器,输出端即从零开始升压,升至所需电压后,按规定时间记录电流表读数,并检查控制箱及高压输出线有无异常现象及声响。 第三步降压,将调压电位器回零后,随即按绿色按钮,切断高压并关闭电源开关。
3、被试品试验:
对试品进行泄漏及直流耐压试验。在进行检查试验确认试验器无异常情况后,即可开始进行试品的泄漏及直流耐压试验。

试验回路连接图
高压发生器的注意事项:
1、 对大电容试品的放电应经100Ω/V放电电阻棒对试品放电。放电时不能将放电棒立即接触试品,应先将放电棒逐渐接近试品,至一定距离空气间隙开始游离放电有嘶嘶声。当无声音时可用放电棒放电,最后直接接上地线放电。
2、直流高压在200kV及以上时,尽管试验人员穿绝缘鞋且处在安全距离以外区域,但由于高压直流离子空间电场分布的影响,会使几个邻近站立的人体上带有不同的直流电位。试验人员不要互相握手或用手接触接地体等,否则会有轻微电击现象,此现象在干燥地区和冬季较为明显,但由于能量较小一般不会对人造成伤害。