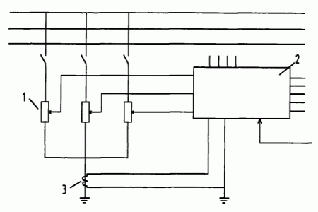
在线电缆开关柜 CTPT 测试
2024-08-14
电流互感器和电压互感器是电力系统中的关键部件,它们的作用是将大电流或高电压转换成较小的电流或电压,以便于测量和保护设备使用。随着时间的推移,这些互感器可能会由于老化、污染或其他因素而性能下降,因此定期对其进行测试至关重要。
互感器局部放电测试仪的工作原理基于对局部放电产生的信号进行检测和分析。当在测试电压下产生局部放电时,测试仪通过系统耦合电容检测到高频脉冲电流。这些脉冲电流信号被送入测试仪的输入数据单元进行处理。具体过程如下:
hpdv1000手持式局放仪:工作原理、使用方法及应用
2024-08-12
开机准备:确保仪器已充分充电并处于良好状态。 信号检查:检查传感器是否正常工作,确保耳机内发出轻微、均匀的电噪声,测试界面上曲线绘制区域显示中心线对准0dB,平均值低10dB。 扫描检测
水槽:用于放置绝缘靴或手套,水槽内部充满水或导电液体,以模拟真实的工作环境。 控制系统:包括升压装置、电流测量装置以及相应的控制面板或界面,用于设置和监控试验过程。 安全系统:包括过载保护、漏电保护等功能,确保试验过程中的人身安全。 主要功能与特点
局部放电(Partial Discharge, PD)是高压电气设备中常见的现象,它可能是绝缘系统中早期故障的迹象。便携式局放检测仪因其便携性和灵活性,在电力系统的维护和故障预防中发挥着重要作用。本文将介绍便携式局放检测仪的主要功能、工作原理以及使用方法。
bose on ear 局放在线测试仪:电力设备维护中的实时监控利器
2024-08-05
局放在线测试仪的工作原理基于局部放电产生的各种物理效应,包括但不限于电磁辐射、声波和热能等。这些效应可以通过不同的传感器捕捉到,常见的传感器类型包括:
达瑞电气为您推荐 全自动互感器综合测试仪是集CT伏安特性试验(其中包含计算CT的10%和5%误差曲线的功能)、CT变比极性试验、二次负载试验、PT伏安特性试验(其中包含计算PT空载损耗的功能)、PT变比极性试验、1000A通流试验于一体的多功能智能化仪器。该仪器对试验数据自动采集、分析、存储和打印。显示器采用大屏幕液晶屏,可实时显示试验曲线,即时观测试验情况,以便试验人员及时判断试品故障...
氧化锌避雷器日常使用常见故障与防范措施 氧化锌避雷器被广泛应用在10KV以下的电压等级电网中,主要是为了防止雷电波对变电站电气设备造成损坏的一种常用防雷装置。其不仅具有优秀的非线性伏安特性,而且造价低、无间隙、无续流、通流能力大、性能稳定。但是也时有发生击穿和爆炸等事故。 常见故障主要是由于以...
微机继保功率继电器校验 (1)功率方向继电器动作区和灵敏角的测量 在“递变试验”软件模块中,设定Uab、Ia为额定值,设置Uab相角步长,加减电压相位角,测出动作区两边边界角φ1、φ2,则灵敏角φLM=1/2(φ1+φ2)。 (2)动作功率的测量 ...
什么是小电流接地系统?什么又是大电流接地系统? 中性点不接地或经消弧线圈接地的系统,当发生单相接地故障时,由于不能构成短路回路,接地电流往往比负荷电流小得多,所以这种系统称为是小电流接地系统(中性点非有效接地系统)。一般66kv及以下系统常采用这种系统。 中性点不接地系统发生单相接地故障时,由于不够成回路,所以...
安全工器具检测设备
变频串联谐振试验装置现场试验操作规程 1、试验人员在开箱时,依据装箱清单对设备进行清查,如发现设备与装箱清单不符,请立即与本公司联系. 2、本试验设备应由高压试验专业人员使用,使用前应仔细阅读使用说明书,并经反复操作训练。 3、试验人员应不少于2人。使用时应严格遵守贵单位有关高压试验的安全作业规程 4、为了保证试验的安全正确,除必须熟悉本产品说明书外,还必须严格按国家有关标准和规程进行试验操作。 ...
现场试验操作规程的变频串联谐振试验装置 1、试验人员在开箱时,依据装箱清单对设备进行清查,如发现设备与装箱清单不符,请立即与本公司联系. 2、本试验设备应由高压试验专业人员使用,使用前应仔细阅读使用说明书,并经反复操作训练。 3、试验人员应不少于2人。使用时应严格遵守贵单位有关高压试验的安全作业规程  ...
接地电阻的测量方法及使用范围 接地电阻测量方法通常有以下几种:两线法、三线法、四线法、单钳法和双钳法。每种方法各有各的特点,实际测量时,应选择正确的方式,才能使测量结果准确无误。 1.两线法 条件:必须有已知接地良好的地,如PEN等,所测量的结果是被测地和已知地的电阻和。如果已知地远小于被测地的电阻,测量结果可以作为被测地的结果。 适用于:楼群稠密或水泥地等密封无法打地桩的...
变压器线圈直流电阻测量及其结果分析 1 直流电阻测量 1.1 测量方法 测量直流电阻是变压器试验中的一个重要项目。通过测量,可以检查出设备的导电回路有无接触不良、焊接不良、线圈故障及接线错误等缺陷。在中、小型变压器的实际测量中,大多采用直流电桥法,当被试线圈的电阻值在1欧以上的一般用单臂电桥测量,1欧以下...
电容分压器放电试验的抗干扰措施 电容分压器因其具备良好的承受电压能力,而被广泛的运用在高压耐压试验测量设备中。电容分压器是利用电容分压原理来提供一个较低电压的装置,它是由瓷外壳内装有多个相串联的电容器元件组成,其中设有中压抽头。电容分压器运行的可靠性在很大程度上取决于其绝缘的可靠性,局部放电试验是检测电容分压器绝缘可靠与否的重要手段。通过对局部放电产生危害的分析及局部放电检测试验回路。针对局部放电...
雷雨季节如何采取正确的防雷避雷措施 寻找安全的避雨地点很重要 如在户外遇到雷雨天气时,我们应该快速找到有避雷针或装有金属门窗的建筑物进行躲避,或是躲在一辆金属车身的汽车内也可以。因为一旦这些建筑物或汽车被雷击中,它们的金属构架或避雷装置或金属本身会将闪电电流导入大地。如果是处在渺无人烟的山区地带...
有载分接开关的故障分析和检修 有载分接开关是在变压器励磁状态下带负载变换分接位置,达到调整不同电压的目的,保证电流的连续性而又不能在变换分接过程中短路的开关设备。氯碱电解化工一般采取的调压方式为有载分接开关粗调加晶闸管细调,其目的是提高装置的自然功率因数和整流变压器利用率,避免整流电源中晶闸管深控而引起波形畸变严重,功率因数变坏,谐波电流增大。 1.有载分接开关的故障分析和检修 &nb...
电缆故障测试方法和技巧 1.电力电缆故障产生的原因 (1)绝缘层老化变质:绝缘电缆长期在风吹日晒,在电的的作用下发生了老化,还要受到伴随电作用而来的化学、热和机械作用,从而使介质发生物理化学变化,使介质的绝缘性能下降。 (2)过热:电缆绝缘内部气隙游离造成局部过热,使绝缘炭化。另外,电缆过负荷产生过...
直流高压发生器在电力电缆试验中的作用 直流高压发生器引起具有输出电压为120KV、输出电流为5mA、工作频率为40kHz等特点而被广泛应用在在电力试验中——用于电力电缆检测试验和避雷器等泄漏电流试验。 直流高压发生器电力电缆的试验 一、测量绝缘电阻 &n...